L-series are developed for whole series of EdgeLogix Edge controller
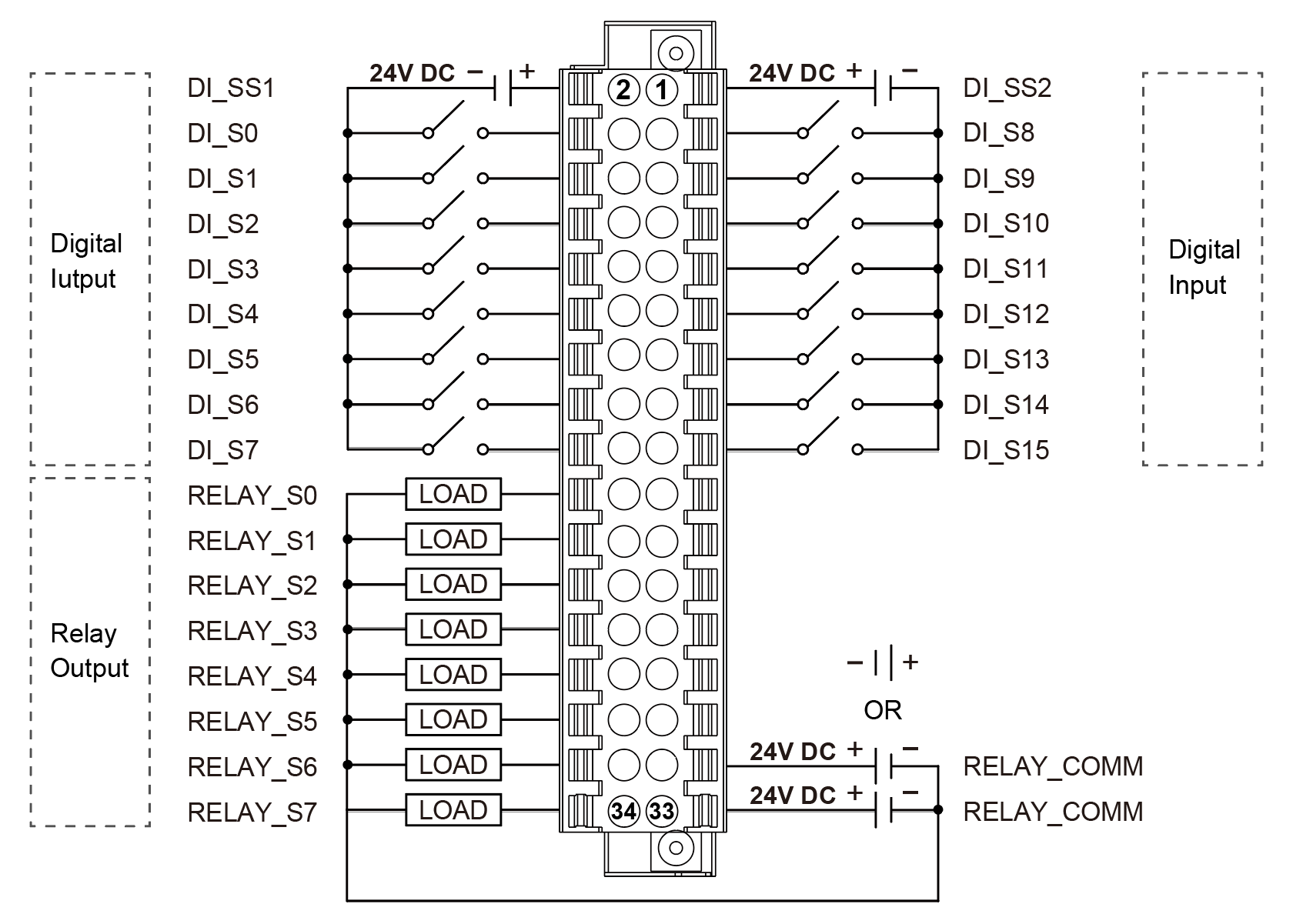
The L series I/O modules in the EdgeLogix offer a wide choice for all signal types and directions. They are developed for whole series of EdgeLogix Edge controller,these include discrete, analog,and process I/O modules all have the same bake plane interface.Customers can mix all these modules to the same controller. Field devices are wired directly to the DIN-RAIL mounted modules. The Controller-Backplane-Modules design provide a flexibility on a DIN-RAIL up to 16 modules.
In addition, various diagnostic options and configurable input filters are available for optional channel. The short-circuit proof 24 V DC sensor power supply for the connectors has electronic protection.







